-
202505-22查看详情煤粉气力输送系统的研究与实践
窑炉煤粉投料效率对煅烧效果和能耗具有决定性影响。传统机械式输送设备普遍存在粉尘泄漏、环境污染、能耗偏高及效率低下等问题。随着技术进步,密闭无尘气力输... -
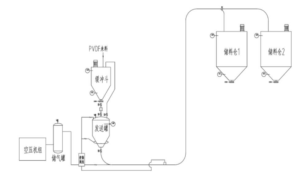
202505-13查看详情聚偏氟乙烯(PVDF)粉料输送--密相气力输送系统
聚偏氟乙烯(PVDF)具有良好的化学稳定性、抗疲劳性能、蠕变性和电绝缘性能,是氟碳涂料最重要的原材料之一。PVDF树脂具有出色的耐候性,且可与其他树脂共混改性... -
202504-01查看详情气力输送系统在工业生产中的节能与空间优化实践
在现代化工业生产体系中,每节省1%的能源损耗都意味着百万级的成本优化。当传统输送设备还在用链条与皮带消耗厂房空间时,气力输送技术的发展正悄然改变生产车... -
202503-31查看详情【气力输送系统价格】与价值深度剖析:企业采购必读指南
在化工行业智能化升级的浪潮中,气力输送系统的采购决策直接影响着企业生产成本与运营效率。面对市场上28-200万元的价格区间,如何穿透【气力输送系统报价】迷... -
202503-28查看详情气力输送技术的发展及创新性技术
气力物料输送技术通过密闭管道利用气流实现粉末或颗粒物质的运输,具有效率高、结构简单、适应性强等特点,并能同步完成物料混合、分级等工艺操作。该技术经历... -
202503-26查看详情燃煤电厂正压浓相气力输灰系统运行优化与堵管防治技术
燃煤电厂正压浓相气力输灰系统通过仓泵、阀门、管道和压缩空气的协同作用,将除尘器灰斗中的粉煤灰输送至灰库。该系统运行效率受煤质波动和机组负荷变化的显著影... -
202503-25查看详情全自动吨袋拆包系统技术解析
在工业生产领域,粉粒体物料普遍采用吨袋包装进行储运。传统人工拆包作业长期面临多重痛点:劳动强度大(单包重量常达1-2吨)、粉尘泄漏超标(现场PM10浓度可达... -
202503-24查看详情催化裂化催化剂气力输送装置的设计
负压气力输送用于输送粉料具有设备简单、布置灵活、占地面积小、防止粉尘污染和可实现多点进料多点卸料等特点,广泛地应用在食品、煤炭、化 工等行业。本文管工... -
202503-18查看详情气力输送系统的分类与应用分析
随着经济不断增长,各行业生产规模持续扩大。水泥制造、药品生产、食品加工等企业在原料运输环节产生的粉尘污染问题逐渐受到关注。为应对这一挑战,气力输送技... -
202503-12查看详情工业物料精准配给解决方案:失重式配料系统应用实践
在粉体物料处理领域,以螺旋出料失重秤为核心构建的配料系统正成为解决粉状、细颗粒物料精准配给的优选方案。该系统通过集成星型给料机构成全密封作业体系,成...


